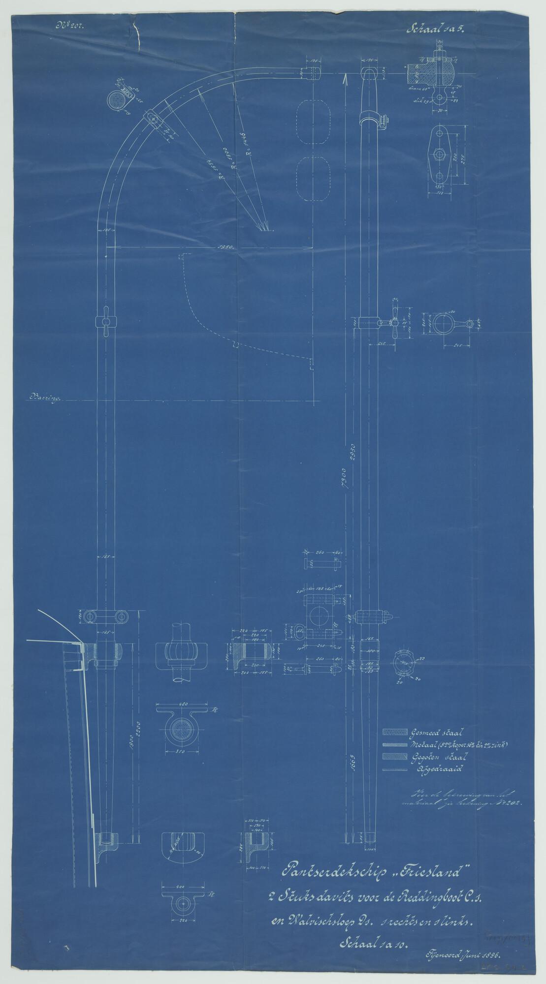
Twee stuks davits voor de reddingboot C1 en de walvissloep D1 van het pantserdekschip Hr.Ms. Friesland
anoniem
1896-06
Twee stuks davits (een stuurboord, een bakboord) voor de reddingboot C1 en de walvissloep (whaleboat) D1 van het pantserdekschip Hr.Ms. Friesland (schaal 1:10).
S.2175(0054)
technische tekening
Het Scheepvaartmuseum
Uitgebreide informatie