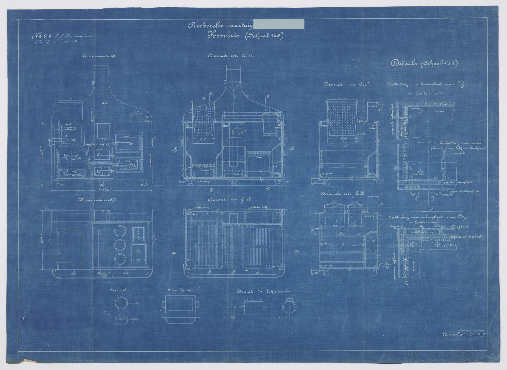
Doorsneden van de kolen gestookte kombuis van de stoomschepen voor de gouvernementsmarine Hr.Ms. Hazewind en Spits
anoniem
1899-04
Diverse doorsneden van de kolen gestookte kombuis van de stoomschepen voor de gouvernementsmarine Hr.Ms. Hazewind en Hr.Ms. Spits (recherchevaartuigen voor Nederlands-Indië - gewest Atjeh). Casserol, braadpan, koffiebrander, oven , vuurhaarden (schaal 1:8).
S.2175(2937)
technische tekening
Het Scheepvaartmuseum
Uitgebreide informatie