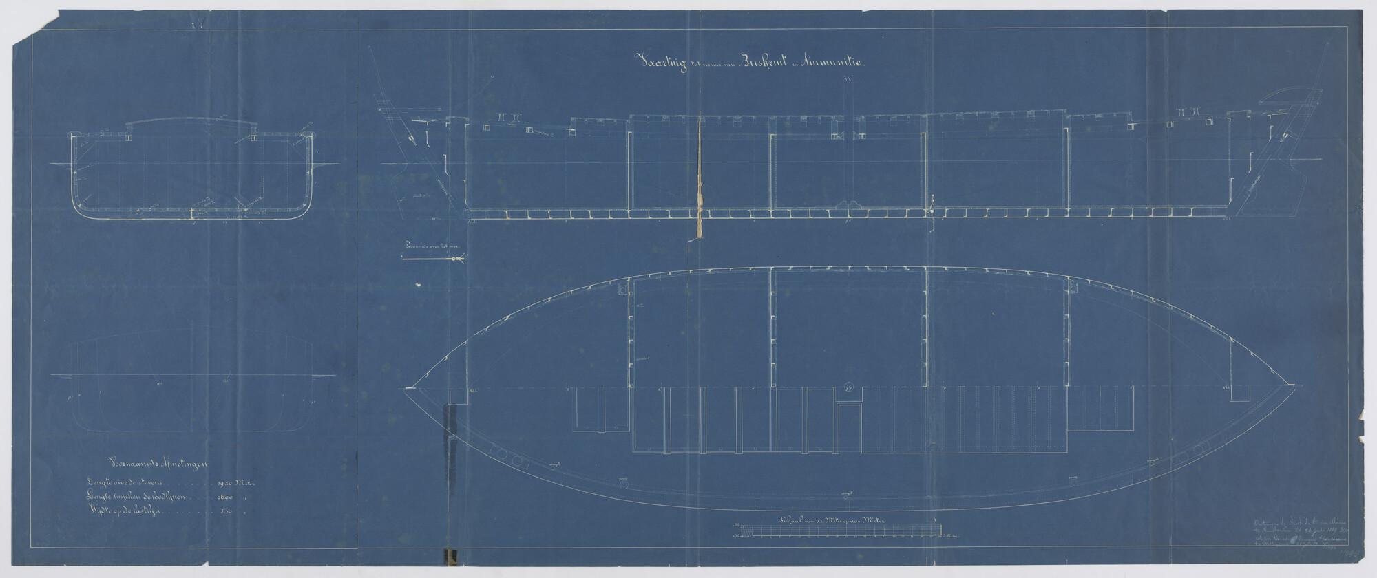
Lijnenplan, boven-, zij-, voor- en achteraanzicht van vaartuig ter vervoer van buskruid en munitie
anoniem
1889
Lijnenplan, boven-, zij-, voor- en achteraanzicht van vaartuig ter vervoer van buskruid en munitie, 1889.
S.2599(0041)
technische tekening
Het Scheepvaartmuseum
Uitgebreide informatie